EN
电话:0574-86166297
首 页
关于我们
公司简介
组织结构
发展历程
资质荣誉
厂房设备
新闻中心
公司新闻
行业资讯
产品展示
液压泵
液压阀
液压马达
行走总成
液压系统
挖掘机
卷杨机
起重机
采矿选矿用机器
液压手柄
液压传动装置
久益液压配件
小松挖掘机主泵系列
日立系列
卡特系列
KYB系列
不二越系列
东芝系列
第一油压系列
利勃海尔系列
神钢/加藤系列
川崎系列
纳博特斯克系列
力乐士系列
萨澳系列
伊顿系列
威格士系列
极东泵系列
哈威系列
多田野系列
林德系列
派克系列
油研系列
农田收割机系列
其它系列
服务支持
服务理念
下载中心
留言反馈
人力资源
人才战略
在线招聘
联系我们
EN
首 页
关于我们
新闻中心
产品展示
久益液压配件
服务支持
人力资源
联系我们
回转(轴转)传动装置
行走/卷扬(壳转)传动装置
液压绞车
行走/卷扬(壳转)传动装置
回转(轴转)传动装置
行走/卷扬(壳转)传动装置
液压绞车
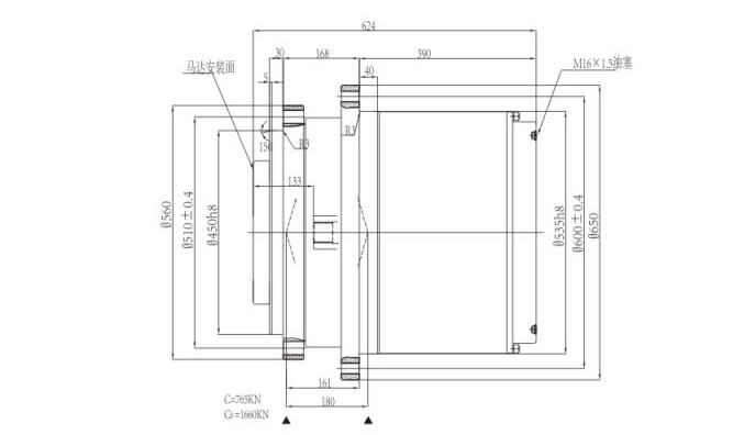
SL416W3 卷扬用减速机
所属分类:行走/卷扬(壳转)传动装置
发布日期:2018-12-20 17:12:40
在线订购
详细说明
上一个:
SL416T3 行走用减速机
下一个:
SL417T3 行走用减速机
关闭
分享:
social application
关于我们
公司简介
组织结构
发展历程
资质荣誉
厂房设备
新闻中心
公司新闻
行业资讯
产品展示
液压泵
液压阀
液压马达
行走总成
液压系统
挖掘机
卷杨机
起重机
采矿选矿用机器
液压手柄
液压传动装置
服务支持
服务理念
下载中心
留言反馈
Copyright © 2018 久益环球(宁波)智能科技有限公司 版权所有 编号:
浙ICP备18012904号-1
浙公网安备 33020602001170号
关闭
客服中心
工作时间
周一至周日
8:00 - 18:00
服务热线
15058861566
销售客服
客服1
客服2
客服3
请直接QQ联系!
展开客服